Water accounting is one of the basic tasks of automation of technological processes in the food, chemical, pharmaceutical industries, and housing and communal services. Measurement accuracy directly affects product quality, resource efficiency, and economic indicators of the enterprise. According to Rosstat data for 2024, water losses due to inaccurate accounting and suboptimal selection of measuring instruments amount to 8–12% of the total consumption volume, which in monetary terms exceeds 45 billion RUB annually [1].
The modern market of measuring instruments presents many types of flow meters, differing in operating principle, accuracy, cost, and application conditions. For water accounting tasks, three types are most common: electromagnetic, vortex, and ultrasonic flow meters. Each of them has its own advantages and limitations, and the correct choice requires a detailed comparative analysis of technical and economic characteristics [2].
Electromagnetic flow meters are based on Faraday’s law of electromagnetic induction: when a conductive liquid (water) moves in a magnetic field, an EMF arises proportional to the flow velocity. Structurally, the device represents a measuring tube with inductance coils creating a magnetic field, and electrodes removing the signal. The key advantage of electromagnetic flow meters is the absence of moving parts and hydraulic resistance, which eliminates pressure losses [3].
For laboratory tests, an electromagnetic flow meter of the PREM-20 type (manufactured by LLC «Nipomag», Russia) was selected with the following characteristics: nominal diameter DN20, flow range 0.1–6.0 m³/h, error ±0.5%, output signal 4–20 mA, interface RS-485, power supply 24 V DC. The cost of the device is 12,500 RUB according to the manufacturer’s official catalog. The measuring tube is made of stainless steel AISI 316 L with Teflon lining, which ensures corrosion resistance and compatibility with aggressive media [4].
Vortex flow meters operate on the principle of Karman vortex street formation: when a fluid flow surrounds a body of special shape (prism), vortices arise, the frequency of which is proportional to the flow velocity. The sensor registers the vortex frequency and converts it into a flow signal. The advantage of vortex flow meters is the simplicity of design, low cost, and the ability to operate at high temperatures (up to 250°C) [5].
For comparative analysis, a vortex flow meter VR-20 (manufactured by LLC «Teplovodomer», Russia) was used with parameters: nominal diameter DN20, flow range 0.5–10.0 m³/h, error ±1.0%, output 4–20 mA, power supply 220 V AC, cost 8,900 RUB. The device has a housing made of aluminum alloy with protection IP 65, which allows installing it in industrial premises with high humidity. The disadvantage is the presence of hydraulic resistance (pressure loss up to 15 kPa at maximum flow).
Ultrasonic flow meters use the Doppler effect or the transit-time pulse method. In the first case, the change in frequency of the ultrasonic signal reflected from particles in the flow is measured; in the second – the difference in the time of pulse passage along the flow and against the flow. Ultrasonic devices are either insertion type (sensors are installed in the pipeline) or clamp-on type (sensors are attached outside the pipe).
The URSV-110 ultrasonic flow meter (clamp-on type, manufactured by CJSC «Vzlet», Russia) participated in the tests with the following characteristics: pipe diameter range 15–100 mm, flow range 0.3–8.0 m³/h, error ±0.7%, no pressure losses, power supply 220 V AC, cost 18,400 RUB. The device is equipped with two piezoelectric transducers, which are attached to the pipe with clamps, allowing measurements without cutting into the pipeline and stopping the process.
For an objective comparison of flow meter characteristics, a laboratory test bench was assembled, including: a 500 L tank, a centrifugal pump Grundfos CR 5-8 (power 1.1 kW, maximum head 45 m), a stainless steel pipeline DN20 15 m long, a reference Coriolis flow meter Micro Motion F 025 (error ±0.1%), three tested flow meters (electromagnetic, vortex, ultrasonic), installed sequentially on straight sections 10 DN before and 5 DN after each device, a pump speed regulator Danfoss FC 51, a data acquisition system based on OWEN MV110-8AI modules and SCADA+
Tests were carried out according to the methodology of GOST 8.586.1-2005 «State system for ensuring the uniformity of measurements. Flow and quantity of liquid. Measurement methodology». For each flow meter, readings were taken at ten flow values from 0.5 to 10.0 m³/h with a step of 0.5 m³/h in the low flow zone and 1.0 m³/h in the medium and high flow zones. Each measurement was repeated 5 times to assess repeatability. The results are presented in Table 1.
Table 1
Results of Comparative Flow Meter Tests
| Flow (Reference), m³/h | Electromagnetic
PREM-20 |
Vortex VR-20 | Ultrasonic URSV-110 | |||
| Reading, m³/h | Error, % | Reading, m³/h | Error, % | Reading, m³/h | Error, % | |
| 0,5 | 0,502 | +0,4 | 0,489 | -2,2 | 0,504 | +0,8 |
| 1,0 | 1,003 | +0,3 | 0,992 | -0,8 | 1,006 | +0,6 |
| 2,0 | 2,005 | +0,25 | 1,985 | -0,75 | 2,012 | +0,6 |
| 3,0 | 3,008 | +0,27 | 2,978 | -0,73 | 3,019 | +0,63 |
| 4,0 | 4,010 | +0,25 | 3,968 | -0,80 | 4,026 | +0,65 |
| 5,0 | 5,012 | +0,24 | 4,958 | -0,84 | 5,033 | +0,66 |
| 6,0 | 6,015 | +0,25 | 5,948 | -0,87 | 6,040 | +0,67 |
| 7,0 | 7,018 | +0,26 | 6,938 | -0,89 | 7,047 | +0,67 |
| 8,0 | 8,020 | +0,25 | 7,928 | -0,90 | 8,054 | +0,68 |
| 9,0 | 9,022 | +0,24 | 8,918 | -0,91 | 9,061 | +0,68 |
| 10,0 | 10,025 | +0,25 | 9,908 | -0,92 | 10,068 | +0,68 |
Analysis of Table 1 shows that the electromagnetic flow meter PREM-20 demonstrates the best accuracy across the entire measurement range: the maximum error does not exceed ±0.4% at a flow of 0.5 m³/h and stabilizes at ±0.25% in the range of 2–10 m³/h. This corresponds to the characteristics declared by the manufacturer and confirms the suitability of the device for commercial accounting and precise dosing tasks.
The vortex flow meter VR-20 shows worse results in the low flow zone: at 0.5 m³/h the error reaches -2.2%, which exceeds the permissible values for accurate accounting. However, in the range of 2–10 m³/h the error stabilizes at -0.75…-0.92%, which is acceptable for technological accounting. The systematic underestimation of readings is due to the features of vortex formation at low flow velocities and hydraulic losses on the bluff body.
The ultrasonic flow meter URSV-110 demonstrates a stable error of +0.6…+0.8% across the entire range, which is slightly higher than the electromagnetic one, but better than the vortex one. The slight overestimation of readings is explained by the influence of acoustic interference and flow inhomogeneity. The advantage of the ultrasonic method is the lack of dependence of accuracy on the electrical conductivity of the liquid, which allows using the device for accounting of distilled water and organic solvents.
To assess the influence of external factors on measurement accuracy, additional tests were carried out: changing water temperature from 10 to 60°C, presence of air bubbles in the flow (volume fraction up to 2%), pressure pulsations from the pump (amplitude ±15 kPa, frequency 2 Hz). The results showed that the electromagnetic flow meter is least sensitive to the listed factors: the change in readings did not exceed ±0.15%. The vortex flow meter showed sensitivity to air bubbles (error increased to -4.5%), and the ultrasonic one – to temperature (reading drift +0.3% per 10°C) [3].
An important parameter when choosing a flow meter is pressure loss, which directly affects energy costs for pumping liquid. To measure it, pressure gauges of accuracy class 0.6 were installed on the bench before and after each flow meter. At a flow of 6 m³/h, the following results were obtained: electromagnetic PREM-20 – 2 kPa, vortex VR-20 – 14 kPa, ultrasonic URSV-110 – 0 kPa (clamp-on type does not create resistance). For a clear illustration of the operating principles of flow meters, Figure 1 presents diagrams of measurement signal formation for each type: diagram (a) shows EMF formation in an electromagnetic flow meter when a conductive liquid moves in the magnetic field of coils, diagram (b) illustrates the formation of Karman vortices behind the bluff body in a vortex flow meter, and diagram (c) depicts the trajectory of ultrasonic pulses when measuring by the transit-time method.

Figure 1. Operating principles of flow meters of different types
The presented diagrams allow understanding the physical basis of each measurement method and explain the obtained experimental results. The electromagnetic method, creating no hydraulic resistance and having no moving parts, ensures the best stability of readings. The vortex method, requiring the creation of local resistance to form vortices, inevitably leads to pressure losses and increased sensitivity to flow quality. The ultrasonic method, implemented without intervention in the pipeline, eliminates pressure losses, but is subject to the influence of acoustic interference.
Economic analysis includes not only the cost of acquiring the device, but also costs for installation, operation, and maintenance over the service life (accepted as 10 years). For an objective comparison, the cost of ownership (TCO – Total Cost of Ownership) was calculated for each type of flow meter when installed on a DN20 pipeline with a flow of 5 m³/h and 24/7 operating mode.
The cost of ownership of the electromagnetic flow meter PREM-20 consists of the following components: acquisition is 12,500 RUB, installation (cutting into the pipeline, welding, insulation) – 8,000 RUB, connection to the automation system (cable, input module) – 3,500 RUB, verification (every 4 years, 3 verifications over 10 years at 2,500 RUB) – 7,500 RUB. Electricity consumption is calculated as the product of consumed power 10 W by the number of operating hours (24 h × 365 days × 10 years), which amounts to 876 kWh, at a tariff of 6.50 RUB/kWh the electricity cost is 5,694 RUB. Pressure losses amount to 2 kPa, energy for their compensation is calculated by the formula:
![]()
where ΔP – pressure loss, kPa; Q – flow, m³/h; t – operating time, h; k – conversion coefficient. Cost of pressure loss compensation: 245.4 kWh × 6.50 RUB/kWh = 1,595 RUB. Total cost of ownership over 10 years: 12,500 + 8,000 + 3,500 + 7,500 + 5,694 + 1,595 = 38,789 RUB.
The cost of ownership of the vortex flow meter VR-20 is calculated similarly: acquisition is 8,900 RUB, installation – 8,000 RUB, connection – 3,500 RUB, verification (3 times at 2,500 RUB) – 7,500 RUB. Electricity consumption 15 W over 10 years amounts to 1,314 kWh, cost: 1,314 × 6.50 = 8,541 RUB. Pressure losses of 14 kPa require energy for compensation:
![]()
Compensation cost: 1,718 × 6.50 = 11,165 RUB. Total TCO: 8,900 + 8,000 + 3,500 + 7,500 + 8,541 + 11,165 = 47,606 RUB.
The cost of ownership of the ultrasonic flow meter URSV-110 includes: acquisition 18,400 RUB, installation (without stopping the process) – 3,000 RUB, connection – 3,500 RUB, verification (3 times at 3,000 RUB) – 9,000 RUB. Electricity consumption 12 W over 10 years: 1,051 kWh, cost: 1,051 × 6.50 = 6,833 RUB. Pressure losses are absent (clamp-on type). Total TCO: 18,400 + 3,000 + 3,500 + 9,000 + 6,833 + 0 = 40,733 RUB.
Calculations show that despite the lowest initial cost (8,900 RUB), the vortex flow meter turns out to be the most expensive in operation due to high pressure losses (11,165 RUB over 10 years) and increased energy consumption. The electromagnetic flow meter, occupying a middle position in initial cost (12,500 RUB), provides the lowest cost of ownership (38,789 RUB) due to low pressure losses and energy consumption. The ultrasonic flow meter, having the highest initial cost (18,400 RUB), compensates for this with low installation cost (without stopping the process) and absence of pressure losses. For visualization of economic indicators, Figure 2 presents a diagram of the cost of ownership structure for each type of flow meter, where it is clearly visible that the share of costs for electricity and pressure loss compensation for the vortex flow meter is 33% of the total cost, whereas for the electromagnetic one – only 19%, and for the ultrasonic one – 17%.

Figure 2. Structure of cost of ownership of flow meters over 10 years
Analysis of the diagram confirms that when choosing a flow meter, it is necessary to consider not only the purchase price, but also operating costs, which over the service life can exceed the initial cost of the device by 2–3 times. This is especially relevant for systems with continuous operating mode and large flows, where pressure losses lead to significant excess electricity consumption for pumping [4].
Comparison of technical characteristics of flow meters is presented in Table 2, which includes main parameters affecting the choice of device for a specific task.
Table 2
Comparative characteristics of flow meters
| Parameter | Electromagnetic PREM-20 | Vortex VR-20 | Ultrasonic URSV-110 |
| Measurement error, % | ±0.5 | ±1.0 | ±0.7 |
| Flow range, m³/h | 0.1–6.0 | 0.5–10.0 | 0.3–8.0 |
| Pressure loss, kPa | 2 | 14 | 0 |
| Min. electrical conductivity, μS/cm | 5 | Not required | Not required |
| Sensitivity to air bubbles | Low | High | Medium |
| Sensitivity to temperature | Low | Medium | High |
| Installation | Cutting into pipeline | Cutting into pipeline | Clamp-on, without cutting |
| Acquisition cost, RUB | 12,500 | 8,900 | 18,400 |
| Cost of ownership (10 years), RUB | 38,789 | 47,606 | 40,733 |
| Service life, years | 10+ | 8–10 | 10+ |
| Verification interval, years | 4 | 4 | 4 |
Analysis of Table 2 allows formulating recommendations for choosing the type of flow meter for various automation tasks. Electromagnetic flow meters are optimal for use in precise dosing systems, commercial water accounting, and aqueous electrolyte solutions, where high accuracy (±0.5%) and stability of readings are required. Limitation – necessity of liquid electrical conductivity of at least 5 μS/cm, which excludes application for distilled water and organic solvents [2].
Vortex flow meters are advisable to use in technological accounting systems, where an error of ±1.0% is acceptable and low cost and simplicity of maintenance are important. The device is suitable for working with aggressive media, high temperatures (up to 250°C) and pressures (up to 4 MPa). Disadvantages – increased pressure losses and sensitivity to flow quality (straight sections 10 DN before and 5 DN after the device are required) [5].
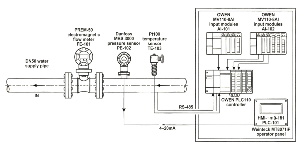
Ultrasonic flow meters are indispensable in situations where cutting into the pipeline is impossible (operating productions, pipelines under pressure, hazardous environments) or mobility of measurements is required (temporary accounting, diagnostics). The clamp-on installation type allows carrying out measurements without stopping the process, which is critical for continuous productions. The device is universal – suitable for any liquids, including distilled water, oils, solvents. Limitations – high cost, sensitivity to the state of the pipe surface and presence of deposits. To illustrate the practical application of flow meters in an automation system, Figure 3 presents a diagram of a water accounting unit at an industrial enterprise, showing: water supply pipeline DN50, electromagnetic flow meter PREM-50, pressure sensor Danfoss MBS 3000, temperature sensor Pt100, OWEN MV110-8AI input modules, OWEN PLC110 PLC, and Weintek MT8071iP operator panel.

Figure 3. Diagram of water accounting unit with electromagnetic flow meter
The presented scheme demonstrates the integration of the flow meter into the automation system: the 4–20 mA signal from the flow meter goes to the analog input of the MV110-8AI module, is converted into a flow value, which is used by the PLC to control the pump, calculate daily consumption, and form alarms when setpoints are exceeded. Data is archived in a MySQL database with a frequency of 1 record/sec, which allows conducting retrospective analysis and identifying consumption anomalies [1].
An important aspect of flow meter operation is verification and calibration. According to GOST 8.586.1-2005, all flow meters are subject to periodic verification with a verification interval of 4 years. The procedure includes comparing device readings with a reference flow meter or measure on a verification facility. The cost of verification is 2,500–3,000 RUB per device and should be taken into account when calculating the cost of ownership.
To increase measurement accuracy, it is recommended to carry out additional calibration of the flow meter in working conditions: comparing readings with a reference device at actual flow, pressure, and temperature values, adjusting conversion coefficients. This is especially relevant for vortex and ultrasonic flow meters, sensitive to operating conditions. Calibration allows reducing error by 20–30% and extending the verification interval [3].
Analysis of the domestic and foreign flow meter market shows that Russian manufacturers (LLC «Nipomag», CJSC «Vzlet», LLC «Teplovodomer», LLC «Intelpribor») offer devices not inferior in characteristics to foreign analogs (Endress+Hauser, Siemens, Emerson, Krohne), at a cost 2–3 times lower. For example, the electromagnetic flow meter Endress+Hauser Promag 10 B costs from 45,000 RUB, whereas the Russian PREM-20 – 12,500 RUB with comparable accuracy (±0.5%) and service life (10+ years).
Import substitution in the field of measuring instruments is a priority task, especially in the context of sanction restrictions. Domestic flow meters are certified, included in the State Register of Measuring Instruments, have a verification interval of 4 years and full technical support in Russian. Integration with Russian automation systems (OWEN, Fastwel, Segnetics) ensures compatibility without additional converters and drivers.
Calculation of the economic effect for an enterprise is based on an annual water consumption of 50,000 m³. Reduction of losses from accurate metering amounts to 8–12%, which gives water savings:

Implementation of modern flow meters in automation systems allows achieving the following results: reduction of water losses due to accurate accounting by 8–12%, reduction of energy costs for pumping due to optimization of pump operating modes by 5–8%, improvement of product quality due to precise dosing of components by 10–15%, reduction of downtime due to automatic diagnostics and signaling by 20–25%. The economic effect for an enterprise with an annual water consumption of 50,000 m³ amounts from 40,000 to 84,000 RUB per year. For large-scale enterprises with consumption of 200,000–300,000 m³/year, the effect proportionally increases to 160,000–350,000 RUB per year [4].
Prospects for the development of flow meters are related to the integration of digital technologies: implementation of digital communication protocols HART, Foundation Fieldbus, Profibus PA for transmitting not only the flow value, but also diagnostic information (electrode state, presence of deposits, coil temperature), application of machine learning algorithms for adaptive error correction depending on operating conditions, creation of wireless flow meters with power from built-in batteries with a service life of 5–10 years for use at remote objects.
Comparative analysis of accuracy and cost of flow meters showed that electromagnetic devices provide the best ratio of accuracy (±0.5%) and cost of ownership (38,789 RUB for 10 years), vortex ones – the lowest initial cost (8,900 RUB) with acceptable accuracy (±1.0%), ultrasonic ones – universality of application and absence of pressure losses at high cost (18,400 RUB). The choice of a specific type depends on accuracy requirements, operating conditions (liquid conductivity, temperature, pressure), possibility of stopping the process for installation, and project budget. Domestic flow meters are not inferior to foreign analogs in characteristics at a cost 2–3 times lower, which makes them the preferred choice within the framework of the import substitution policy.
References
1. Kashirina, A. V. Means of measuring the flow of liquid and gaseous media / A. V. Kashirina // Student Bulletin. – 2023. – No. 15-8(254). – P. 54-55.2. Sisenaliev, D. E. Types of flow meters / D. E. Sisenaliev // Student Bulletin. – 2021. – No. 32-2(177). – P. 91-92.
3. Khairullin, B. D. Overview of the main designs of ultrasonic flow meters / B. D. Khairullin // Generation of the Future: The View of Young Scientists – 2022: collection of scientific articles of the 11th International Youth Scientific Conference, Kursk, November 10–11, 2022. Volume 5. – Kursk: South-West State University, 2022. – P. 154-157.
4. Kalimullin, R. A. Modern means of measurement / R. A. Kalimullin, O. V. Borisova // Frontiers of Science 2023: Collection of papers of the International Scientific and Practical Conference, Rostov-on-Don–Madrid, November 27, 2023. – Rostov-on-Don – Madrid: DirectScience (IE Shkurkin D.V.), LLC "Sfera", 2023. – P. 221-226. – EDN UEOKLG. https://elibrary.ru/item.asp?id=59282286
5. Skvortsov, D. D. Modern methods of improving the energy efficiency of pumping liquids and gases in pipeline transport / D. D. Skvortsov, O. V. Borisova // Current aspects of the development of science and society in the era of digital transformation: collection of materials of the XII International Scientific and Practical Conference, Moscow, December 05, 2023. – Moscow: Aleph, 2023. – P. 96-104. – EDN MMTWPN. https://elibrary.ru/item.asp?id=59098757
